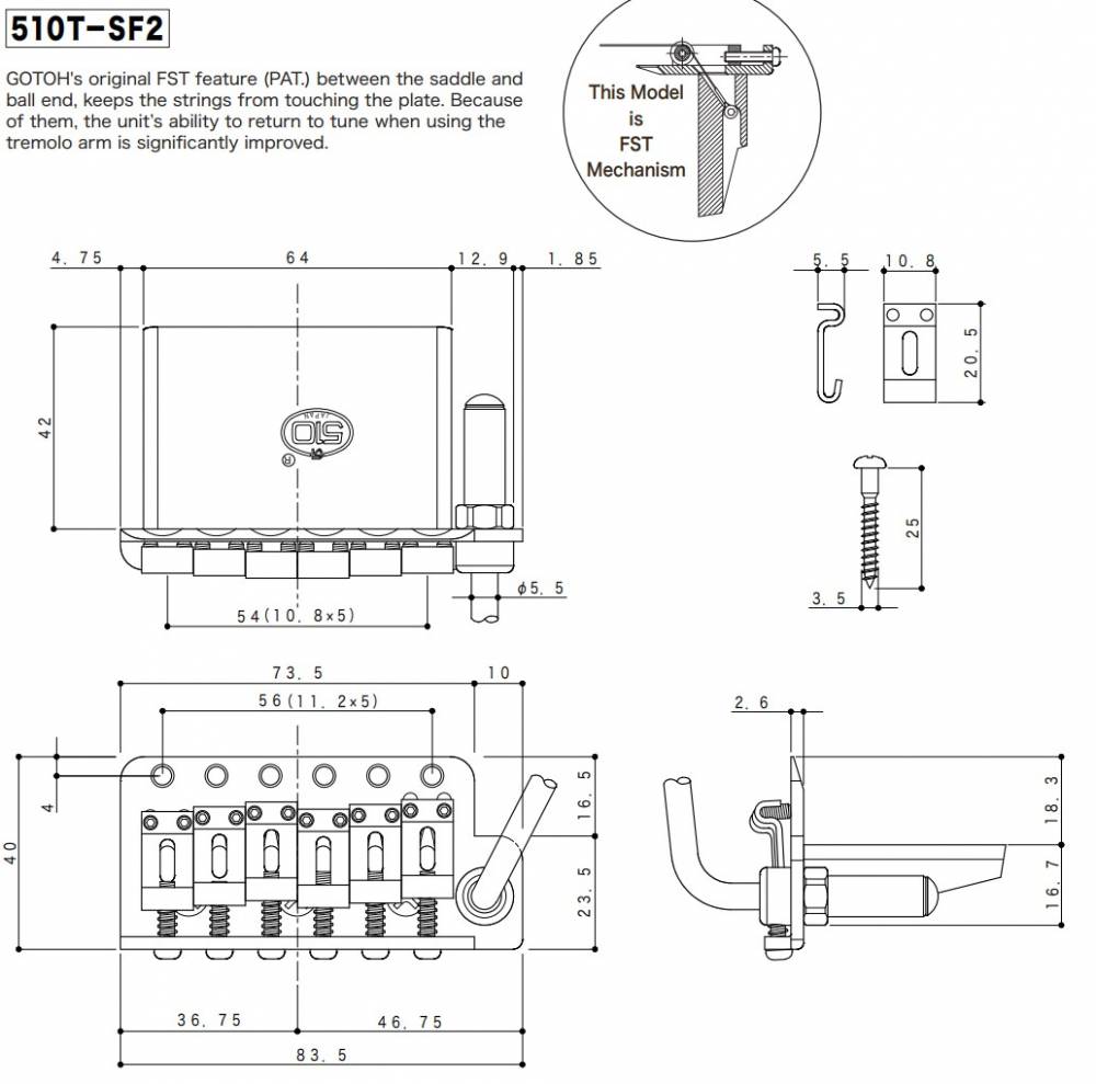
510TS-SF2C

Tremolo na ST

Rozteč strun- 10.8mm

ukotvení na vruty

 

Skladem
2 019 Kč